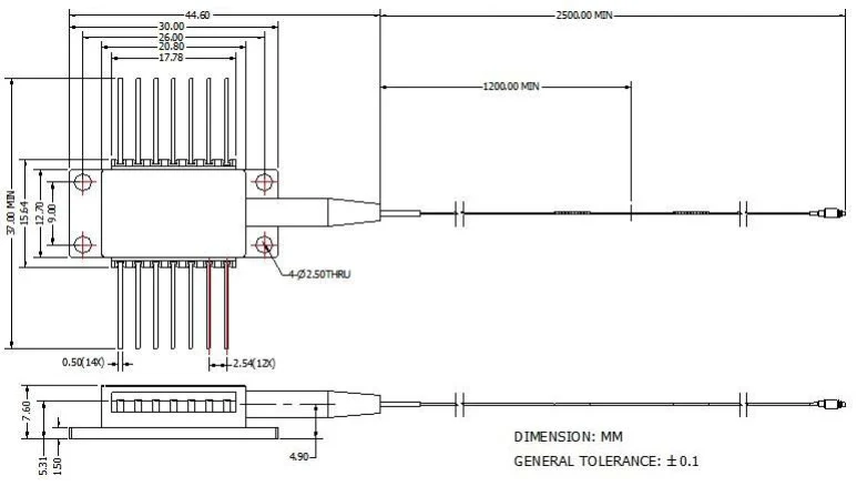
1653nm 40mW DFB Laser Diode ສໍາລັບ Methane Sensor CH4 Sensing ໃຊ້ການກໍ່ສ້າງແບບແຜນທີ່ມີຊິບເທິງ subcarrier. ຊິບພະລັງງານສູງໄດ້ຖືກຜະນຶກເຂົ້າກັນໃນຊຸດ butterfly 14-pin ທີ່ບໍ່ມີ epoxy ແລະບໍ່ມີ flux ແລະປະກອບກັບເຄື່ອງເຮັດຄວາມຮ້ອນ, ເຄື່ອງເຮັດຄວາມເຢັນ thermoelectric, ແລະ diode ຕິດຕາມກວດກາເພື່ອຮັບປະກັນປະສິດທິພາບ laser ຄຸນນະພາບສູງ. ຜະລິດຕະພັນເລເຊີຂອງພວກເຮົາແມ່ນ Telcordia GR-468 ທີ່ມີຄຸນນະພາບ, ແລະປະຕິບັດຕາມຄໍາແນະນໍາ RoHS.
1653nm 40mW DFB Laser Diode ສໍາລັບ Methane Sensor CH4 Sensing ໃຊ້ການກໍ່ສ້າງແບບແຜນທີ່ມີຊິບເທິງ subcarrier. ຊິບພະລັງງານສູງໄດ້ຖືກຜະນຶກເຂົ້າກັນໃນຊຸດ butterfly 14-pin ທີ່ບໍ່ມີ epoxy ແລະບໍ່ມີ flux ແລະປະກອບກັບເຄື່ອງເຮັດຄວາມຮ້ອນ, ເຄື່ອງເຮັດຄວາມເຢັນ thermoelectric, ແລະ diode ຕິດຕາມກວດກາເພື່ອຮັບປະກັນປະສິດທິພາບ laser ຄຸນນະພາບສູງ. ຜະລິດຕະພັນເລເຊີຂອງພວກເຮົາແມ່ນ Telcordia GR-468 ທີ່ມີຄຸນນະພາບ, ແລະປະຕິບັດຕາມຄໍາແນະນໍາ RoHS.
ຊຸດ butterfly 14-pin ມາດຕະຖານອຸດສາຫະກໍາ;
Built-in TEC ແລະ optical isolator;
ເລເຊີທີ່ມີປະສິດຕິພາບສູງ, multiquantum well (MQW) distribution-feedback (DFB).
ການທົດສອບການຜະລິດຂອງອົງປະກອບຕົວຕັ້ງຕົວຕີສໍາລັບການຊອກຄົ້ນຫາອາຍແກັສ;
ລະບົບກວດຫາກ໊າຊ Fiber;
ແຫຼ່ງເລເຊີ.
| ພາລາມິເຕີ | ສັນຍາລັກ | ສະພາບ | ຕ່ຳສຸດ | ພິມ. | ສູງສຸດ. | ໜ່ວຍ |
| ຄວາມຍາວຄື່ນກາງ | λc | TL=15~35℃CW | 1652.7 | 1653.7 | 1654.7 | ນມ |
| ພະລັງງານຜົນຜະລິດ optical | ປ | CW | - | 40 | - | mW |
| LD Threshold ໃນປັດຈຸບັນ | ໄອທີ | CW | - | 15 | 40 | mA |
| LD Forward ປັດຈຸບັນ | ຖ້າ | Pf = ລະດັບພະລັງງານ | - | 300 | 400 | mA |
| ການໂດດດ່ຽວ optical | - | -10 < TC < +70 ℃ | 30 | - | - | dB |
| ອັດຕາສ່ວນການສະກັດກັ້ນຮູບແບບຂ້າງຄຽງ | SMSR | CW | 35 | 40 | - | dB |
| ຕິດຕາມກວດກາຄວາມຮັບຜິດຊອບ | Im / Pf | - | - | 1 | 20 | uA/mW |
| ຕິດຕາມກວດກາຄວາມຫມັ້ນຄົງຂອງຄວາມຮັບຜິດຊອບ | - | - | - | - | 20% | - |
| ຕິດຕາມກວດກາກະແສໄຟຟ້າມືດ | ID | VPD =5V | - | - | 50 | ນ |
| TEC ປັດຈຸບັນ | ໄອເຕັກ | ຕູ້=75℃ | - | - | 2 | A |
| ແຮງດັນ TEC | VTEC | ຕູ້=75℃ | - | - | 3.5 | V |
| ການໃຊ້ພະລັງງານ TEC | P | Tstg = 25 ℃ | - | - | 5 | W |
| Thermistor Resistance | ທ | ຕູ້=75℃ | 9.5 | 10 | 10.5 | Kohm |
| Thermistor B ຄົງທີ່ | Bth | Tstg = 25 ℃ | - | 3900 | - | K |
| ຄວາມຍາວຄື້ນ (EOL) | △λ | ທົດສອບຕະຫຼອດຊີວິດ 25 ປີ | - | - | ±0.1 | ນມ |
| ຄື້ນ. ຄ່າສໍາປະສິດອຸນຫະພູມ | Δλ/ΔT | ອຸນຫະພູມ TEC ຢູ່ 15 ℃ to 35 ℃ | - | 0.09 | - | nm/℃ |
| ຄວາມຍາວຂອງຄື້ນຄ່າສໍາປະສິດປັດຈຸບັນ | Δλ/ΔΙ | - | - | 0.01 | - | nm/mA |

ຜະລິດຕະພັນທັງຫມົດໄດ້ຖືກທົດສອບກ່ອນທີ່ຈະສົ່ງອອກ;
ຜະລິດຕະພັນທັງຫມົດມີການຮັບປະກັນ 1-3 ປີ. (ຫຼັງຈາກໄລຍະເວລາຮັບປະກັນຄຸນນະພາບເລີ່ມຕົ້ນທີ່ຈະຄິດຄ່າບໍລິການບໍາລຸງຮັກສາທີ່ເຫມາະສົມ.)
ພວກເຮົາຂອບໃຈທຸລະກິດຂອງທ່ານ ແລະສະເໜີນະໂຍບາຍຄືນເງິນພາຍໃນ 7 ມື້ທັນທີ. (7 ມື້ຫຼັງຈາກໄດ້ຮັບລາຍການ);
ຖ້າລາຍການທີ່ທ່ານຊື້ຈາກຮ້ານຂອງພວກເຮົາບໍ່ມີຄຸນນະພາບທີ່ສົມບູນແບບ, ນັ້ນແມ່ນພວກມັນບໍ່ໄດ້ເຮັດວຽກທາງອີເລັກໂທຣນິກກັບຂໍ້ກໍານົດຂອງຜູ້ຜະລິດ, ພຽງແຕ່ສົ່ງຄືນໃຫ້ພວກເຂົາເພື່ອທົດແທນຫຼືຄືນເງິນ;
ຖ້າລາຍການມີຂໍ້ບົກພ່ອງ, ກະລຸນາແຈ້ງພວກເຮົາພາຍໃນ 3 ມື້ຂອງການຈັດສົ່ງ;
ທຸກໆລາຍການຕ້ອງໄດ້ຮັບການສົ່ງຄືນໃນສະພາບເດີມຂອງພວກເຂົາເພື່ອໃຫ້ມີຄຸນສົມບັດສໍາລັບການຄືນເງິນຫຼືການທົດແທນ;
ຜູ້ຊື້ຕ້ອງຮັບຜິດຊອບຄ່າຂົນສົ່ງທັງໝົດທີ່ເກີດຂຶ້ນ.
ຖາມ: ຄວາມຖືກຕ້ອງຂອງຄວາມຍາວຄື່ນແມ່ນຫຍັງ?
A: +/-0.5nm.
ຖາມ: ທ່ານມີຮຸ່ນອື່ນຂອງພະລັງງານຜົນຜະລິດບໍ?
A: 10mW, 15mW, 50mW.
1512nm 10mW DFB 14PIN Butterfly Laser ສໍາລັບ NH3 Sensing
1392nm DFB Butterfly Laser Diode ສໍາລັບຄວາມຊຸ່ມຊື່ນ H2O Sensing
1653nm DFB Butterfly Laser Diode ສໍາລັບການກວດຫາ CH4
1567nm DFB Butterfly Laser Diode ສໍາລັບການຮັບຮູ້ CO
1578nm 10mW DFB Laser Diode ສໍາລັບການກວດຫາ Hydrogen Sulfide
1580nm DFB Butterfly Laser Diode ສໍາລັບການກວດຫາ CO2ສະຫງວນລິຂະສິດ @ 2020 Shenzhen Box Optronics Technology Co., Ltd. - China Fiber Optic Modules, Fiber Coupled Lasers manufacturers, Laser Components Suppliers ສະຫງວນລິຂະສິດທຸກປະການ.